TM 9-2320-363-34-1
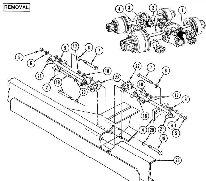
TORQUE ROD REPLACEMENT
This task covers:
a. Removal b. Cleaning c. Inspection d. Installation
Tools and Special Equipment:
Shop Equipment, SC 4910-95-CL-A31
Tool Kit, SC 5180-90-CL-N05
References:
TM 9-2320-363-20
Equipment Condition:
Reference
Condition Description
TM 9-2320-363-20
Vehicle Blocked
ALL EXCEPT M915A2
9-14 Change 1