TM 9-2320-302-20
0025 00-5
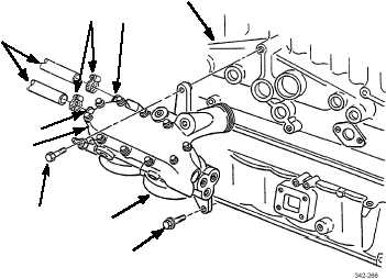
OIL COOLER AND OIL FILTER ADAPTER MAINTENANCE - CONTINUED
0025 00
INSTALLATION
NOTE
It may be necessary to tap neck of oil cooler housing with plastic or fiber mallet to force seal ring (15) into
engine block opening.
1.
Install oil cooler (6) on engine block (14) with bolt (13) and three bolts (11). Torque bolts to 43-54 lb-ft (58-73 Nm).
2.
Install two hoses (9) on hose fittings (10) with two hose clamps (8).
3.
Install coolant pipe (5) and two inlet hoses (3 and 4) on oil cooler (6) and water pump (7) with four clamps (1 and 2).
14
10
10
6
8
9
13
12
11
6
7
5
4
3
2
1