TM 9-2320-363-34-2
GEAR HOUSING ASSEMBLY REPLACEMENT (CONT)
INSTALLATION
C A U T I O N
Application of gasket eliminator to gear housing-to-block mating surfaces at
top of cylinder block is critical to prevent damage to equipment.
1.
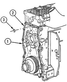
USING CAULKING GUN, APPLY 1/16-lN. BEAD OF GASKET ELIMINATOR (1) TO CYLINDER
BLOCK (2). SMOOTH BEAD AROUND BLOCK-TO-GEAR HOUSING OIL PASSAGE CAREFULLYTO
AVOID CONTAMINATION OR PLUGGING OF OIL HOLE.
2.
INSTALL NEW SEAL RING (3) IN COUNTERBORE ON TOP FRONT FACE OF CYLINDER BLOCK
(2).
12-72