Home
Download PDF
Order CD-ROM
Order in Print
DESCRIPTION AND USABLE ON CODES (UOC) - TM-9-2320-283-24P_46
DESCRIPTION AND USABLE ON CODES (UOC) - TM-9-2320-283-24P_48
TM-9-2320-283-24P Truck Tractor Line Haul 50 000 GVXR 6x4 M915A1 (NSN 2320-01-125-2640) Manual
Page Navigation
35
36
37
38
39
40
41
42
43
44
45
SECTION II
TM 9-2320-283-24P
TA 237903
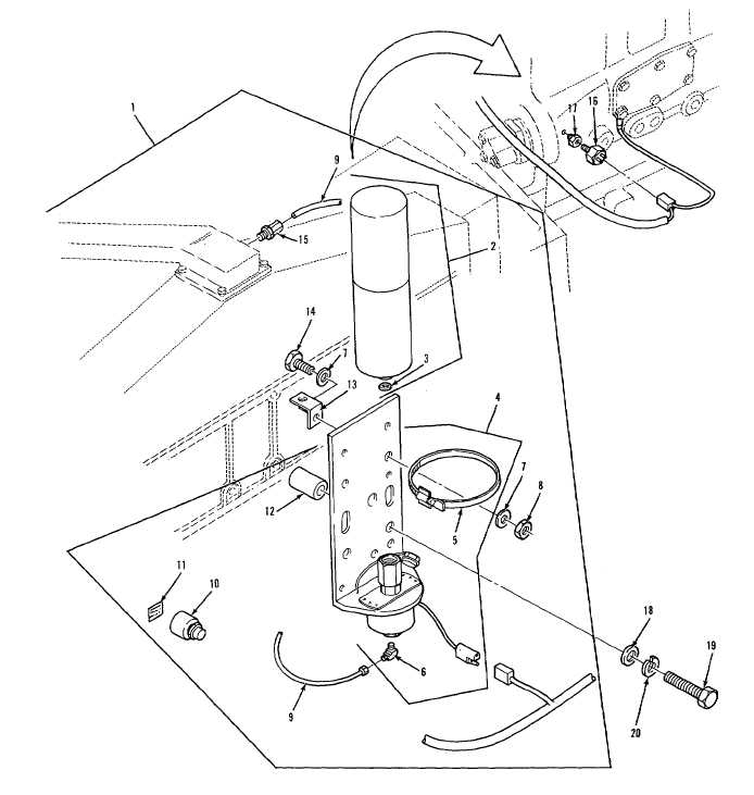
FIGURE 18. ETHER QUICK START KIT.